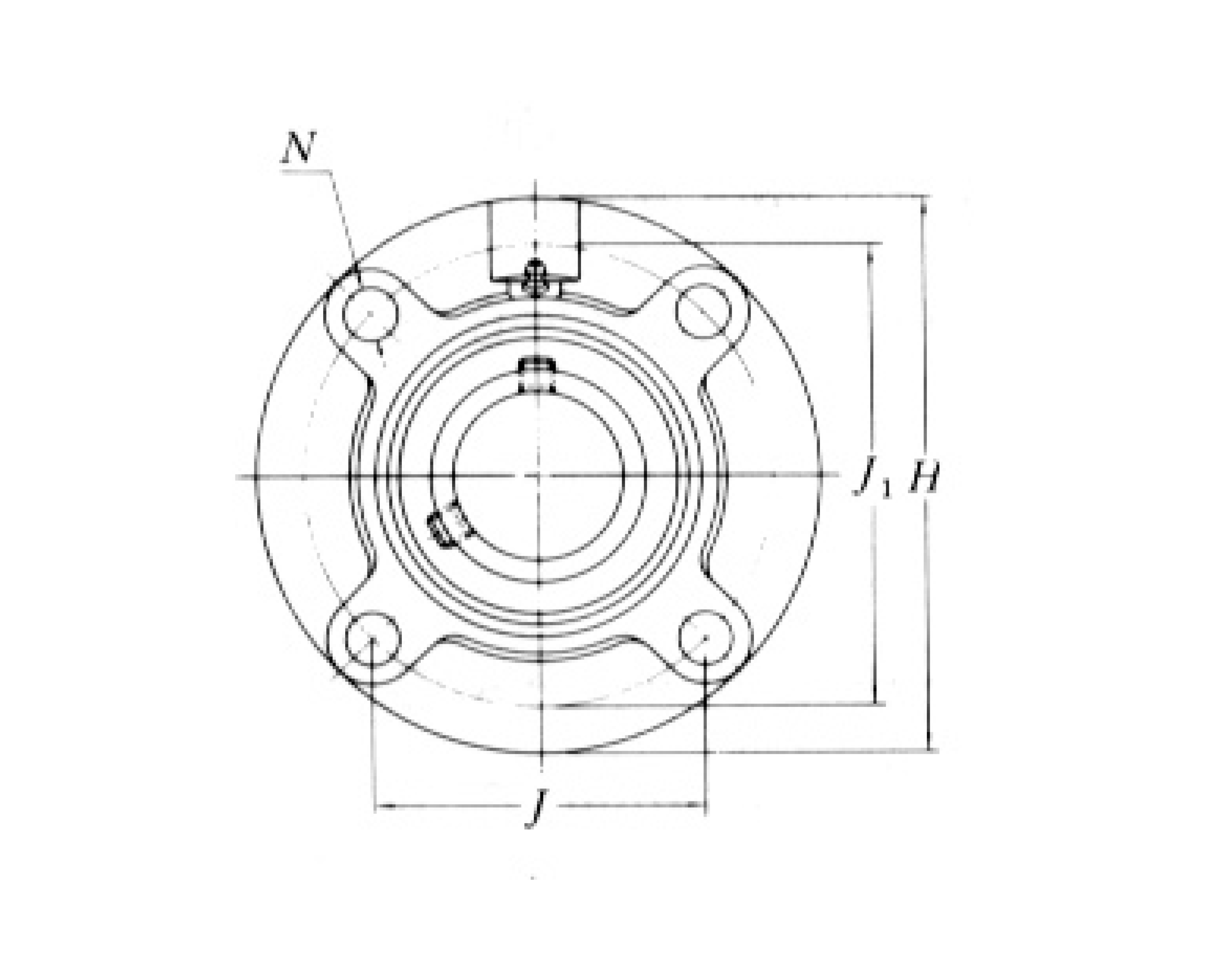
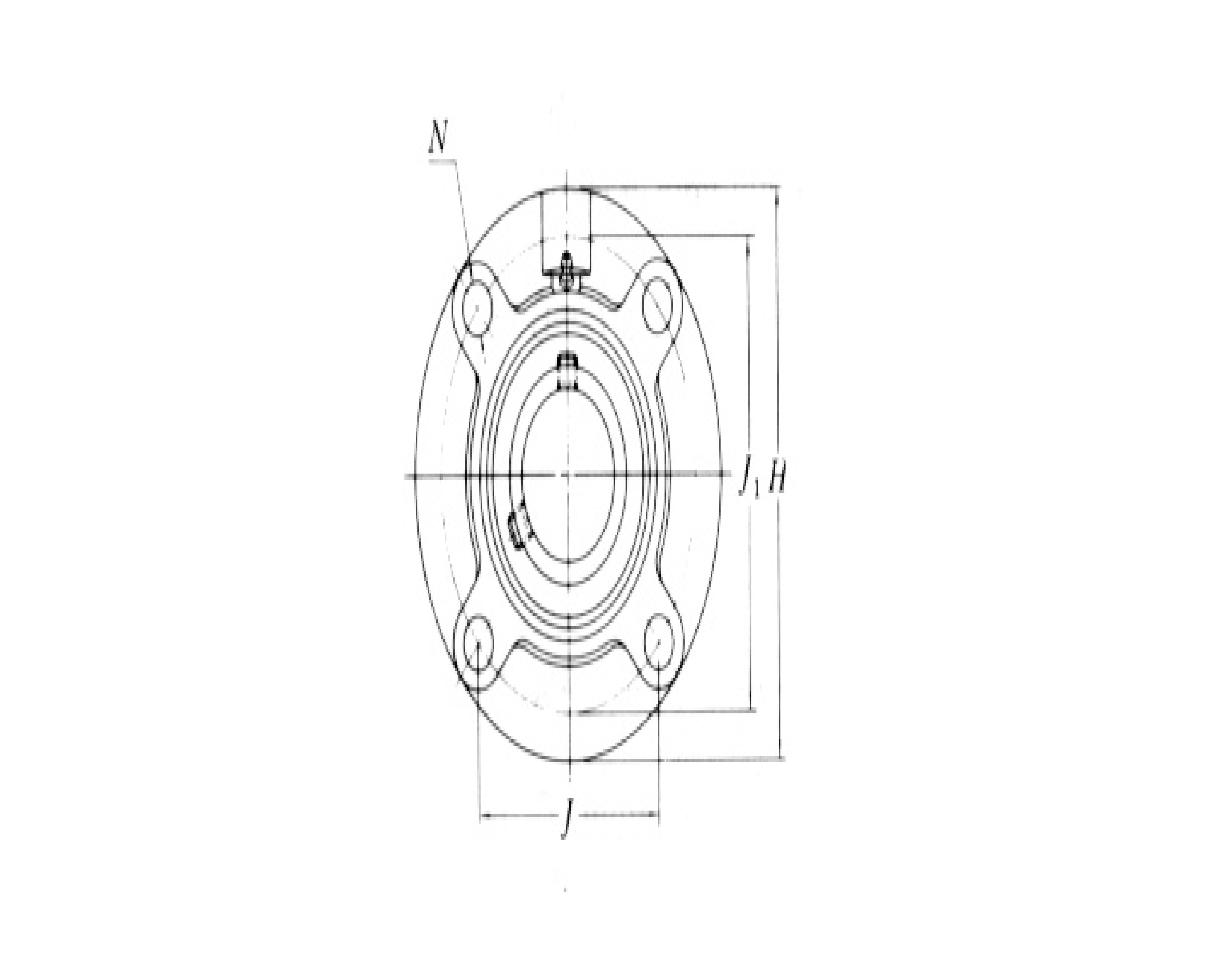
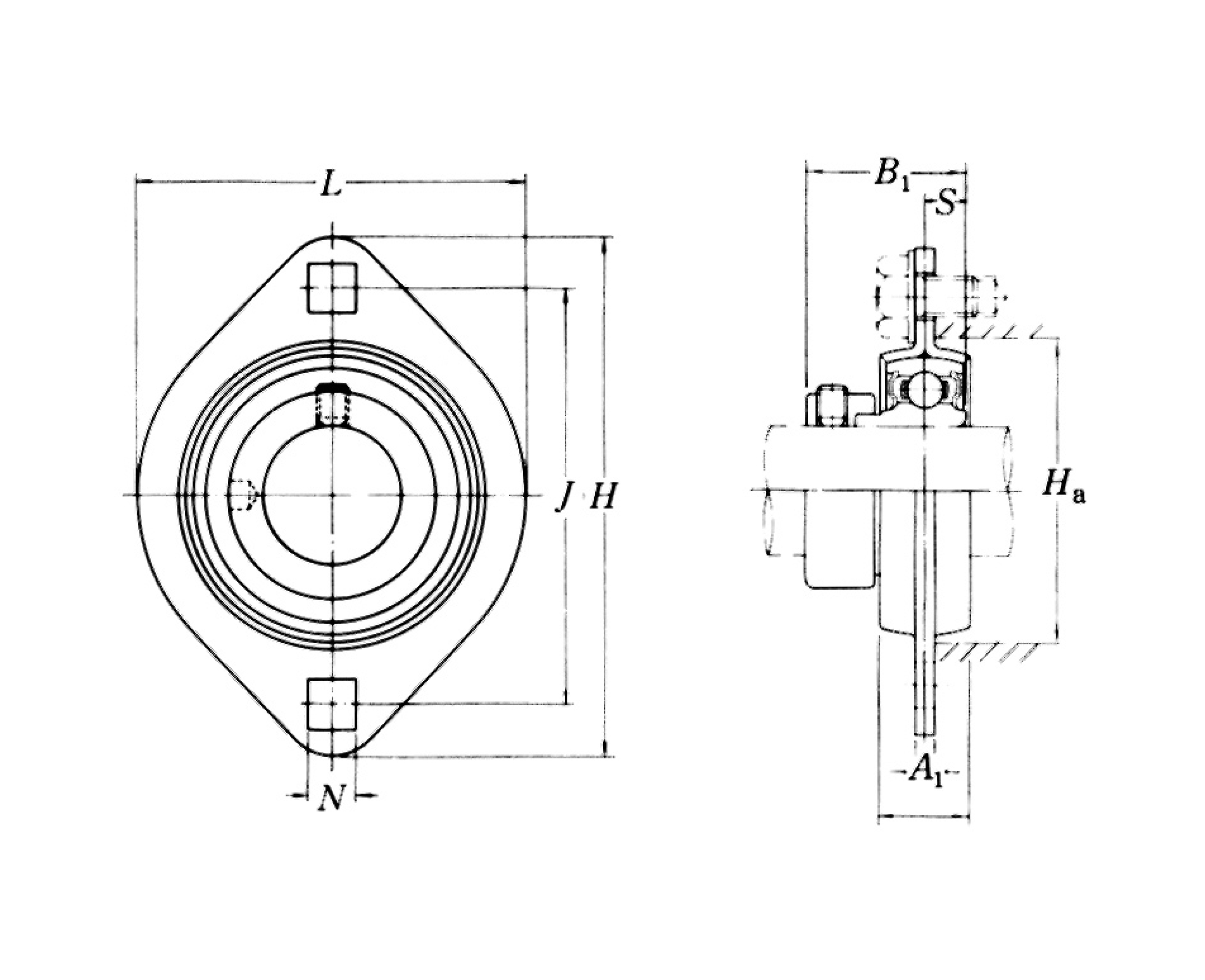
בתי מיסב מתייצבים
בית מיסב אומגה
(Pillow Block)
- מיסב בית מתייצב בעל גוף בצורת אומגה המתחבר על משטח המקביל לציר הסיבוב.
כמות:





