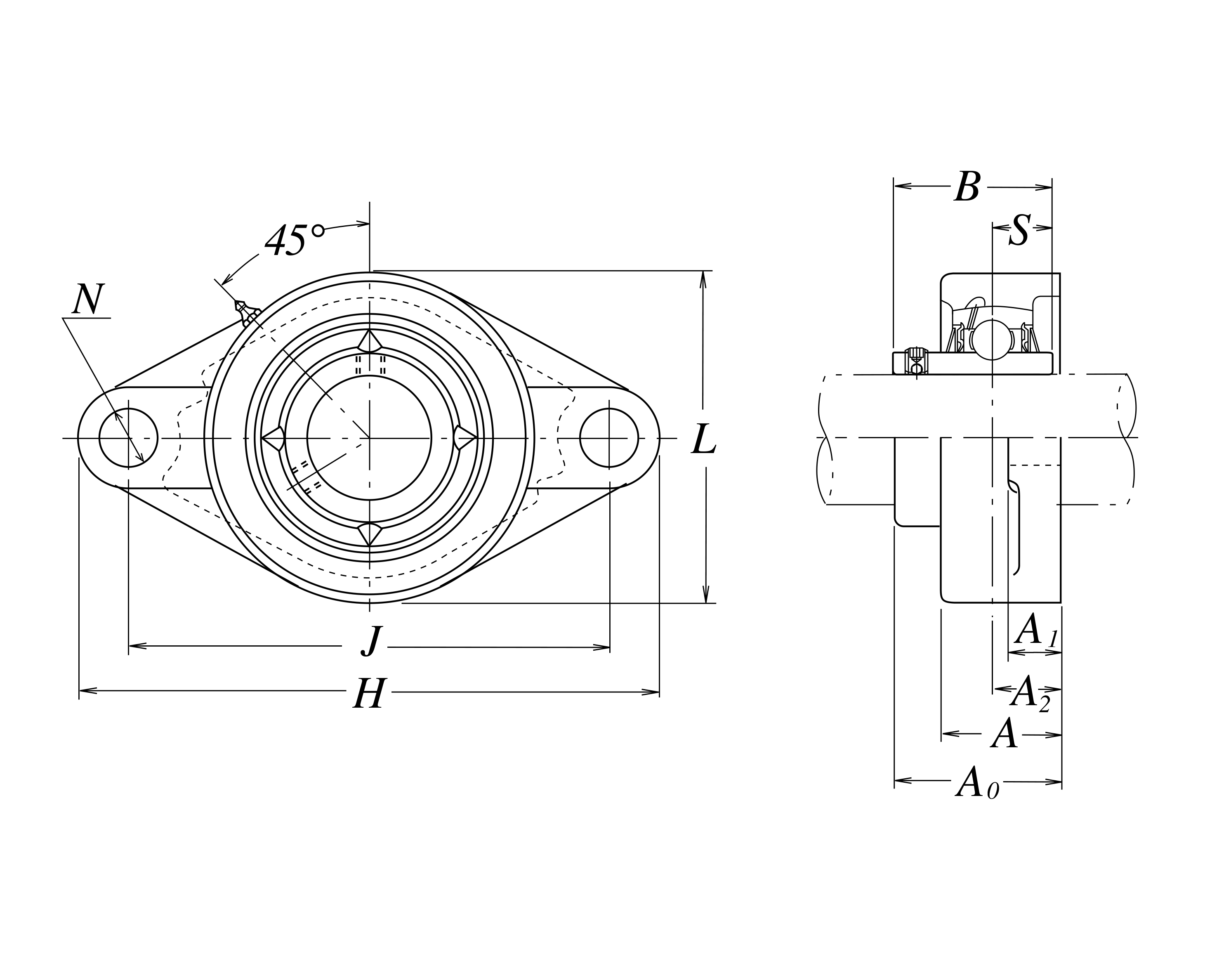
בתי מיסב מתייצבים
בית מיסב פלנג' אובלי
(Oval Flang Pillow Block)
- מיסב בית מתייצב בעל גוף בצורת אליפסה המתחבר על משטח הניצב לציר הסיבוב.
כמות:





