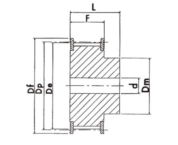
גלגלי רצועות תזמון
גלגלי רצועה לפרופילים T ו-AT
(T5, AT5, T10, AT10)
- גלגלי תזמון מאלומיניום לרצועות פלסטיק עם שן טרפזית
כמות:





