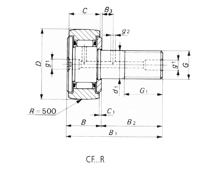
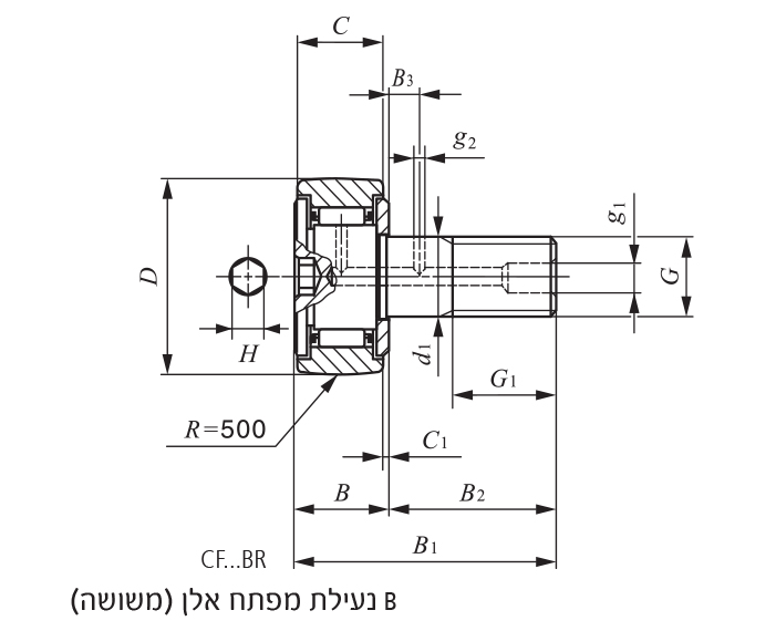
מיסבי מחטים
מיסב עוקב
(Cam Follower)
מיסב מחטים עם דופן עבה ובעל קדח מרכזי המשמש לנסיעה על משטח
כמות:




