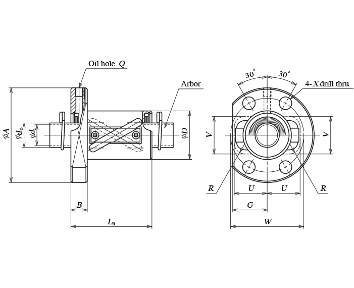
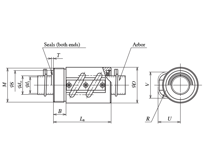
ברגים כדוריים ובתי מיסב לברגים
ברגים כדוריים מעורגלים nsk
(NSK)
- ברגים כדוריים זולים יחסית בעלי חופש צירי קל nsk
כמות:



